故障现象:家用一台TL-WR847N型TP路由器使用几年后,突然所有指示灯不亮了。
分析与检修:通过故障现象分析,怀疑电源电路异常。电路板实物如图1所示。



图1
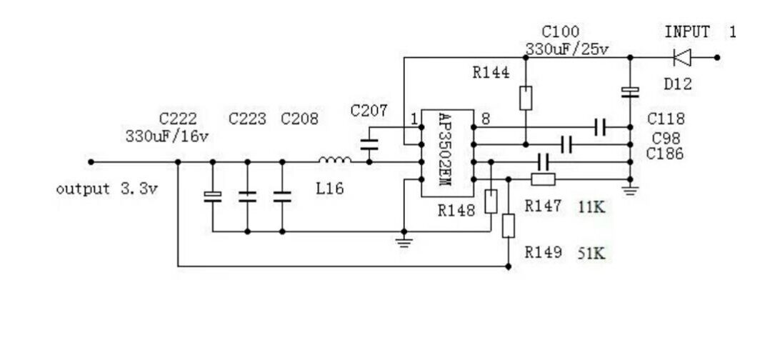
用万用表检查电源适配器输出的9V供电正常,拆机测D2电压正常,测DC-DC变换器芯片AP3502EM2脚工作电压正常。为了便于检修,根据实物绘制的原理图如图2所示。


图2
从图2可以看出,3脚为电压输出端,与电容C222、C223、C208及电感L16组成一个LC滤波电路,为主芯片和内存供电。5脚为反馈输入端,通过R149与3脚相连,若5脚电压超过1.1V,过压保护电路起控;若该脚电压低于0.3V,则振荡器进入弱振状态,实施过流保护。
测3脚无电压输出,说明电源电路未工作或进入保护状态。断开L16,测3脚电压为3.5V,说明芯片正常,怀疑滤波电容或负载异常。检测C222的对地电阻只有几欧姆,确认发生短路故障。察看C222顶部没有鼓包,拆掉C208,测量对地电阻仍较小,拆掉C223后测对地电阻恢复到几百欧,说明C223短路。用相同的电容更换后恢复好电感,通电指示灯亮。接入网络试机,路由器恢复正常。为了便于同行维修该电路,测得AP3502EM正常工作时的各脚电压


以上教程由“WiFi之家网”整理收藏!
原创文章,作者:tplink路由器,如若转载,请注明出处:https://www.224m.com/204642.html